電子回路メモ
■ PチャンネルMOSFETの使い方
| 一般的にPMOSは"PMOSロードスイッチ"(別名:PMOSハイサイドスイッチ)としてつかわれることが多い。 しかし、以下のように 低損失(低順電圧降下)ダイオードとして使われることもよくある。 この場合PMOSはON状態動作となるので PMOSのON抵抗( 例: 10mΩ程度)となることから きわめて小さい順電圧降下となる。 用途としは、低損失のダイオードとして、電池駆動での電池逆接保護回路などでよく使われます。 |
| PMOS ロードスイッチ |
PMOS低損失(低順電圧降下) ダイオード |
|
![]() |
| ー | 実回路例:![]() |
(注意)
下図のような PMOSを2個使った高電圧優先回路はなりたたない。 なぜなら高電圧側のPMOS2から 低電圧側のPMOS1経由で電源(電池)へ
(PMOS1のソース電位がゲート電位より高くなるので)電流が流れてしまうためです。

<追記>
PMOSの低損失高電圧優先回路をつくるには、(ディスクリートでつくるには少し面倒ですが)電圧検出をおこないPMOSをスイッチングする方法があります。
エプソンのリアルタイムクロックモジュール RX-8035の中で使われています。

■MAX4636
逆接防止用PMOSを用いたICもある。

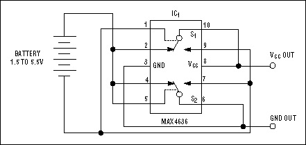
| バッテリ逆接続保護を提供する回路 バッテリ駆動機器に共通する問題は、エンドユーザがバッテリを逆に挿入した時の損傷の危険性です(エンジニアは、もちろんこんなことはしません)。ダイオード1個を挿入するかダイオードブリッジ構成を使えば損傷を避けることができますが、この解決法ではバッテリと電源レイル間に(1個または2個分の)ダイオード電圧降下が加わることにより、電力を浪費させ電源電圧を減らします。もう一つのソリューションは、バッテリ逆接続の損傷に対して保護を提供するだけではなく、自動的に逆接続を補正します(下図を参照)。ディスクリートダイオードによる電圧降下をなくすために、低オン抵抗DPDT (双極/双投)スイッチが全波整流器となります。図に示すように、バッテリが正しい極性で挿入されると、上側のスイッチS1は制御ピンがロー状態であるためノーマリクローズ状態になります。その結果生じるピン2からピン10への接続は、バッテリからVCC端子への低インピーダンス経路を提供します。逆に、下側のスイッチS2は、制御ピンがハイ状態であるためにノーマリオープン端子(図示せず)をクローズします。その結果生じるピン7からピン6への経路はバッテリの負端子をグランドに接続します。 IC1のESD保護ダイオードはスタートアップを保証し全波整流器として動作します。バッテリ電圧が1Vを超えると、アナログスイッチ内のMOSFETがオンになります。この20ns以下のターンオン時間により回路は逆極性バッテリ接続のリードを迅速に交換することで通常動作を維持することができます。回路抵抗はバッテリ電圧に依存します。回路が4つのNiCd、NiMH、またはアルカリ電池で動作する場合、整流器の各側の抵抗は2.5Ω (合計5Ω)です。2セル電池(2.4V~3V)で動作している場合は全抵抗が10Ωとなります。IC1の動作定格は最大5.5Vで連続電流が30mAであるため、この回路はコードレス電話、ポータブルオーディオ機器、ハンドヘルド電子機器、その他の小~中電流アプリケーションに適しています。IC1の超小型10ピンµMAXパッケージは4つのスルーホール信号ダイオードよりも小さな面積に収まり、2つのSOT-23デュアル信号ダイオードと殆ど同じくらい小型です。 |
■ NMOSハイサイドスイッチ 特性

■ PMOS ワンショット パルス回路
![]() |
![]() |